产品中心/Product Center

产品列表
  • UTG21-S型超声波测距传感器
  • 本站编辑:杭州特力声科技有限公司发布日期:2016-12-15 10:34浏览次数:

产品特点:

  • 反应灵敏,快速测量

  • 自动检测现场电气干扰,并进行干扰抑制

  • 内部集成温度传感器,实时对声速进行温度补偿

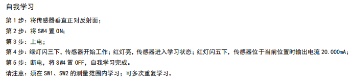
  • 自带学习功能,将当前距离设置为20.0mA电流输出

  • 参数信息
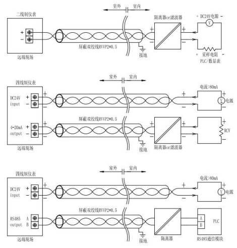
  • 安装接线
  • 调试步骤
  • 尺寸说明
  • 关于运输
  • 售后服务

image.png

image.png

image.png

image.png

image.png

关于运输.jpg

售后服务.jpg

返回上一层

销售一部:0571-88052635
在线咨询(刘先生)

销售二部:0571-86058040
在线咨询(马小姐)

销售三部:0571-88051722
在线咨询(华先生)

销售四部:0571-89874215
在线咨询(谢先生 )